当前位置:首页 > 产品中心 > 干燥设备系列
products
产品中心

    在线咨询
    • FZG方形静态真空干燥机
    • FZG方形静态真空干燥机
    • FZG方形静态真空干燥机
    • FZG方形静态真空干燥机
    • FZG方形静态真空干燥机
    • FZG方形静态真空干燥机

    FZG方形静态真空干燥机

    所属分类:干燥设备系列

    产品概述:真空干燥是将被干燥物料处于真空条件下进行加热干燥。它利用真空泵进行抽气抽湿,使工作室处于真空状态,物料的干燥速率大大加快,同时也节省了能源。真空干燥设备分为静态干燥和动态干燥机。YZG圆筒型、FZG方形真空干燥机属于静态式真空干燥器,SZG双锥回转真空干燥机属…

    18051209678谢经理
    精良品质·匠心制造
    在线咨询

    工作原理

      所谓真空干燥,就是将干燥物料处于真空条件下,进行加热干燥。如果利用真空泵进行抽气抽湿,则加快了干燥速度。   注:如采用冷凝器.物料中的溶剂可通过冷凝器加以回收,如溶剂为水,可不用冷凝器,节省能源投资。

    性能特点

    ◎真空下物料溶液的沸点降低.使蒸发器的传热推动力增大.因此对一定的传热量可以节省蒸发器的传热面积。 ◎蒸发操作的热源可采用低压蒸汽或废热蒸汽。 ◎蒸发器热损失少。 ◎在干燥前可进行消毒处理,干燥过程中无任何不纯物污入,符合GMP要求。 ◎属于静态式真空干燥器.故干燥物料的形体不会损坏。

    适应物料

      适用于在高温下易分解,聚合和变质的热敏性物料的低温干燥;被广泛地采用在制药、化工、食品、电子等行业。

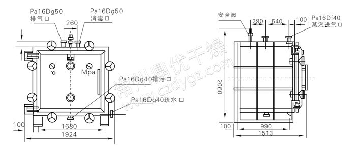
    结构示意图

    方形静态真空干燥机结构示意图

    技术规格

    名称/规格 FZG-10 FZG-15 FZG-20
    干燥箱内尺寸 1500×1060×1220 1500×1400×1220 1500×1800×1220
    干燥箱外尺寸 1513×1924×1720 1513×1924×2060 1513×1924×2500
    烘架层数 5 8 12
    层间距离 122 122 122
    烘盘尺寸 460×640×45 460×640×45 460×640×45
    烘盘数 20 32 48
    烘架管内使压 ≤0.784 ≤0.784 ≤0.784
    烘架使用温度 35-150 35-150 35-150
    箱内空载真空度 -0.09~0.096
    在-0.1MPa,加热温度110时,水的气化率 7.2 7.2 7.2
    用冷凝器时,真空泵型号,功率 2X-70A / 5.5KW 2X-70A / 5.5KW 2X-90A / 2KW
    不用冷凝器时,真空泵型号,功率 SK-3 / 5.5KW SK-6 / 11KW SK-6 / 11KW
    干燥箱重量 1400 2100 3200

    注:水环式真空泵与机械增压联用,以提高真空度。

    订货须知

    ◎订货时请根据干燥物料的物性初含水率终含水率、温度真空度干燥量干燥时间等因素选择合适的真空干燥器。同一种型号的真空干燥机中分别有蒸气热水导热油 电加热四种加热方式。例如为了增加干燥量可适当增加烘架层数请及时向我厂提出。 ◎在使用说明书上述的真空干燥系统中的附件我厂均可为用户提供和安装.请在订货时说明。 ◎本司可对用户提出的真空干燥系统中的特殊要求提供设计制造与安装。 ◎本司设备对用户实行质量三保.一切配件,长期提供、敬请用户放心。

    视频集锦

      暂无视频集锦...
    图片集锦
    方形静态真空干燥机
    方形静态真空干燥机
    方形静态真空干燥机
    方形静态真空干燥机
    方形静态真空干燥机
    方形静态真空干燥机
    方形静态真空干燥机
    方形静态真空干燥机
    方形静态真空干燥机
    方形静态真空干燥机
    方形静态真空干燥机
    方形静态真空干燥机
    应用客户
    动画演示

    相关工程
    暂无相关工程...
    相关文章
    • 2022-04-13 09:55:20

      近日,由我司承接设计生产的烟草污泥专用卧式圆盘干燥系统在河南中烟工业公司许昌工厂调试成功。

    • 2022-03-24 10:00:11

      近日,由我司承接设计生产的湖北某X军工企业专用型纳米金属氧化铁粉ZB真空耙式干燥机5套即将制作完毕,不日将交付用户。

    • 2022-01-10 12:56:37

      1、升速干燥阶段:就是用非常高的温度在比较短的时间内把物料表面的水分给蒸发掉,这一阶段所需的时间比较短,但也局限于表面的水…

    • 2021-12-29 12:58:09

      振动流化床在使用时,可能会出现走料速度不一的情况,还有就是直接不走料了,这是怎么回事呢?有什么因素会造成这个情况呢?1:温…

    • 2021-12-02 13:00:06

      闪蒸干燥设备的防腐处理:1、首先所有碳钢件均应进行喷砂除锈表面质量应达到标准要求;2、然后涂环氧铁红防锈底漆,再涂面漆。3、…

    • 2021-11-25 13:00:47

      带式干燥机虽然是目前比较高效节能的干燥机,但在实际操作中也是会有故障发生的,我们所做的是找出故障原因来进行排除,让带式干燥…

    相关产品

    Copyright 2022 常州鼎优干燥科技有限公司 苏ICP备2022005062号-1 版权声明 技术支持:江苏东网科技 [后台管理]

    Top
    • 咨询热线(TEL)
    • 18051209678
    • 添加微信咨询
    • 添加微信咨询